Переходник резиновый — соединительная деталь трубопровода, предназначенная для соединения труб различных диаметров, а также для соединения напорного и всасывающего патрубков насоса с системой трубопровода, обеспечивая при этом снижение либо увеличение скорости потока.
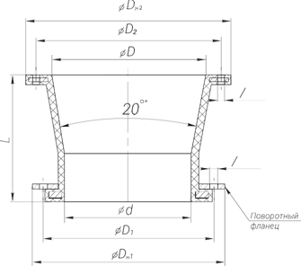
По своей структуре и способу монтажа переходники резиновые аналогичны отводам и изготавливаются с фиксированным углом 10 или 20 градусов, переходом на различные диаметры до 960 мм.
По желанию Заказчика возможно изготовление переходников с присоединительными размерами под любое уже имеющееся оборудование (насосы разных типоразмеров, гидроциклоны и т.д.).
По конструкции переходники резиновые могут быть:
-
стальной фланец с резиновым покрытием
-
стальной поворотный фланец с одной или двух сторон
